Главная » Продукція » Трансформатор струму ТФЗМ, напруги НКФ та комплектуючі.

Трансформатор струму ТФЗМ, напруги НКФ та комплектуючі.

Під замовлення
+380506988322  /  +380980400128

Найменування
Терміни виготовлення
Ціна без ПДВ, грн
ТФЗМ 35А – У1 (40,5А – У1)
Один місяць
Під замовленя
ТФЗМ 35Б – 1У1 (40,5Б – 1У1)
Один місяць
Під замовленя
ТФЗМ 110 Б I (П – 123- I)
Півтора місяці
Під замовленя
ТФЗМ 110 Б IV ( П – 123 – IV)
Півтора місяці
Під замовленя
НКФ Трансформатор напруги 110 У I
(123 – УI)
Півтора місяці
Під замовленя
Масловказівник   
В наявності
700
Повітроосушувач
В наявності
700

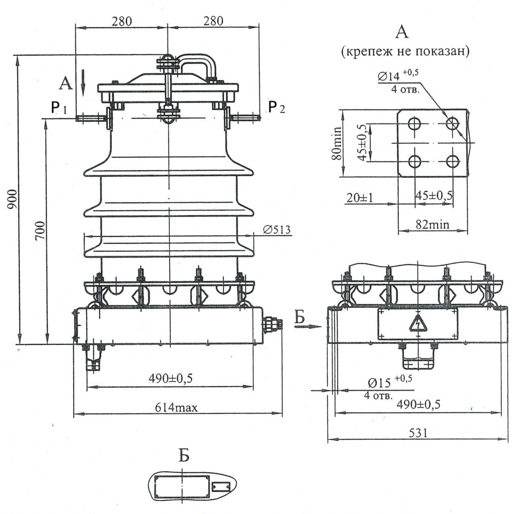
Трансформатор призначений для зовнішньої установки у відкритих  розподільних пристроях для передачі сигналу вимірювальної інформації вимірювальних приладів і пристроїв захисту та управління в установках змінного струму частоти 50 Гц.

 

Структура умовного позначення типовиконання трансформатора:

Схема розташування виводів вторинних обмоток трансформаторів ТФЗМ 110Б-I

Схема розташування висновків вторинних обмоток трансформаторів ТФЗМ110Б-IV

Принципова електрична схема трансформаторів ТФЗМ 110Б-I

Принципова електрична схема трансформаторів ТФЗМ 110Б-IV

ТФЗМ 35А-УI

Опір первинної обмотки постійному струму

Значення струму намагнічування вторинних обмоток для захисту.

  Комплектуючи до ТФЗМ

Відгуки

Відгуків немає, поки що.

Будьте першим, хто залишив відгук на “Трансформатор струму ТФЗМ, напруги НКФ та комплектуючі.”

Ваша e-mail адреса не оприлюднюватиметься. Обов’язкові поля позначені *

Кошик